QB2双口排气阀
- 销售:
- 销售:
- 传真:
详情介绍
- 产品介绍
- 服务承诺
- 订货流程
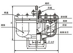
QB2双口排气阀体形大,重量重,排气量小,该排气阀在80年代末为理想产品,问世以来一直还续用。排气阀是管道必配设备,安装在管道高点或闭气地方,来排除管内气体,来疏通管道,使管道运转正常,如停电,停泵管内会出现负压力会引起管道振动或破裂,该排气阀随时吸气,确保管路。

双口排气阀 主要外形尺寸
型号 | 公称通径 | 主要尺寸(mm) | ||||||
D | D1 | D2 | L | Z-φd | 介质 | 阀体材料 | ||
QB2-10 | 40 | 145 | 110 | 85 | 430 | 4-φ18 | 水 | 铸铁 |
QB2-10 | 50 | 160 | 125 | 100 | 430 | 4-φ18 | 水 | 铸铁 |
QB2-10 | 75 | 195 | 160 | 135 | 470 | 4-φ18 | 水 | 铸铁 |
QB2-10 | 100 | 215 | 180 | 155 | 500 | 4-φ18 | 水 | 铸铁 |
QB2-10 | 150 | 280 | 240 | 210 | 540 | 8-φ20 | 水 | 铸铁 |
QB2-10 | 200 | 335 | 295 | 265 | 700 | 8-φ20 | 水 | 铸铁 |
双口排气阀 每小时排气量表
规格 | 50 | 75 | 100 | 150 | 200 |
立方米/小时 | 4-173 | 85-352 | 14-597 | 22-904 | 27-1145 |
双口排气阀注意事项
(1)注:D>350mm管道请选单口排气阀(QBI-10)。
(2)安装双口排气阀,底下一定要安装一只保护阀门、球阀(Q41F-16),以免检修停水。
(3)如需方要求排气阀法兰大小尺寸如变动,请在合同上注明法兰连接尺寸。
良好的品质、优良的服务 西安凌霄生活服务咨询有限公司为你创造更多价值!
“西安凌霄生活服务咨询有限公司”的期望,不断提升服务质量,精益求精,“真诚的服务”是“西安凌霄生活服务咨询有限公司”永恒的主题。“西安凌霄生活服务咨询有限公司”严格按照IS09001-2000 质量体系认证要求,质量严格把关, 责任到人,确保生产、销售、服务的健康运行。加强与用户沟通,竭诚为广大客户提供优良产品,至善至美服务。特此我厂做出以下承诺:
产品标准:
产品严格按照中国GB、HG 标准和美国API等标准设计、制造、验收。密封面硬度达到国家规定要求,宽度超过国家标准。
售前服务:
产品介绍,技术交流,非标产品设计,疑难解答。
售中服务:
守信合同,保证及时供货,随时保持与客户联系。 对特殊或复制的产品,我厂安排技术人员对用户进行产品使用、故障排除
售后服务:
1、“西安凌霄生活服务咨询有限公司”牌产品品质期为自出厂起12个月,实行“三包”服务(包退、包换、保修)。
2、产品在使用中我厂定期组织技术、质检人员进行访问,征询用户对产品质量、 使用状况、改进意见等方面的反馈, 以便进一步提高产品质量。
3、对用户投诉质量问题,快速作出反应,售后服务人员在24-36小时(省外48小时)赶赴现场。
4、对售后服务,要求用户填写服务后的质量反馈信息表,并作出鉴定意见,以便提高西安凌霄生活服务咨询有限公司的服务质量。
1、客户如对产品有特殊要求,须在订货合同中提供以下说明:
a、结构长度;
b、连接形式;
c、公称直径、全通径、缩径、管道尺寸;
d、运行介质及温度、压力范围;
e、试验、检验标准及其他要求
2、本厂可根据客户特定要求配置各类驱动装置。
3、如由客户提供确定的阀门类型和型号时,客户应正确说明其型号的含义和要求,在供需双方理解一致的条件下签订合同。
4、期货、订货的客户请先来电函详细告诉所需的阀门型号、规格、数量以及交货时间、地点,并按总的30%预定金或全额货款及时汇入我厂帐户,其余货款待发货前汇入,以便及时安排发货。
订单流程:
1、客户采购清单传真至,或来电咨询
2、收到客户采购清单,为客户提供阀门型号选型与报价(价格清单)。
3、具体商定:交货期、特殊要求等事宜。
订货须知:
1、客户如对产品有特殊要求,须在订货合同中提供以下说明:
|
|||||
|
|||||
2、本厂可根据客户特定要求配置各类驱动装置。
|
|||||
3、如由客户提供确定的阀门类型和型号时,客户应正确说明其型号的含义和要求,在供需双方理解一致的条件下签订合同。
|
|||||
4、期货、订货的客户请先来电函详细告诉所需的阀门型号、规格、数量以及交货时间、地点,并按总的30%预定金或全额货款及时汇入我厂账户, 其余货款待发货前汇入,以便及时安排发货。
|
售中服务:
守信合同,保证及时供货,随时保持与客户联系。
对特殊或复制的产品,我厂安排技术人员对用户进行产品使用、故障排除
售后服务:
1、“西安凌霄生活服务咨询有限公司”产品品质期为自出厂起12个月,实行“三包”服务(包退、包换、保修)。
2、产品在使用中我厂定期组织技术、质检人员进行访问,征询用户对产品质量、使用状况、改进意见等方面的反馈,
以便进一步提高产品质量。
3、对用户投诉质量问题,快速作出反应,售后服务人员在24-36小时(省外48小时)赶赴现场。
4、对售后服务,要求用户填写服务后的质量反馈信息表,并作出鉴定意见,以便提高“西安凌霄生活服务咨询有限公司”的服务质量。
声明 |
|